Honda Civic EK4 H22 swap

Ánimo con el proyecto, y gracias por compartirlo :sunglasses:

Siento no ser de ayuda en cuanto a temas mecánicos, pero toda mi ansia por ver avances, y a curarse a full de lo del accidente :sunglasses:

1 me gusta

Fue poco para lo que pudo ser, por suerte tengo unas manos extras y @tol0 me ha estado ayudando

1 me gusta

Menuda santa pasada de proyecto!!! de verdad tío, mi más sincera enhorabuena, cuando lo tengas terminado va a ser un espectáculo de coche… (más aún). Qué ganas de verlo listo :grin:

Y efectivamente le dimos a la llave :rofl:
Me tomo la libertad de preguntar por aquí el problemilla que tenemos con el relé del embrague.
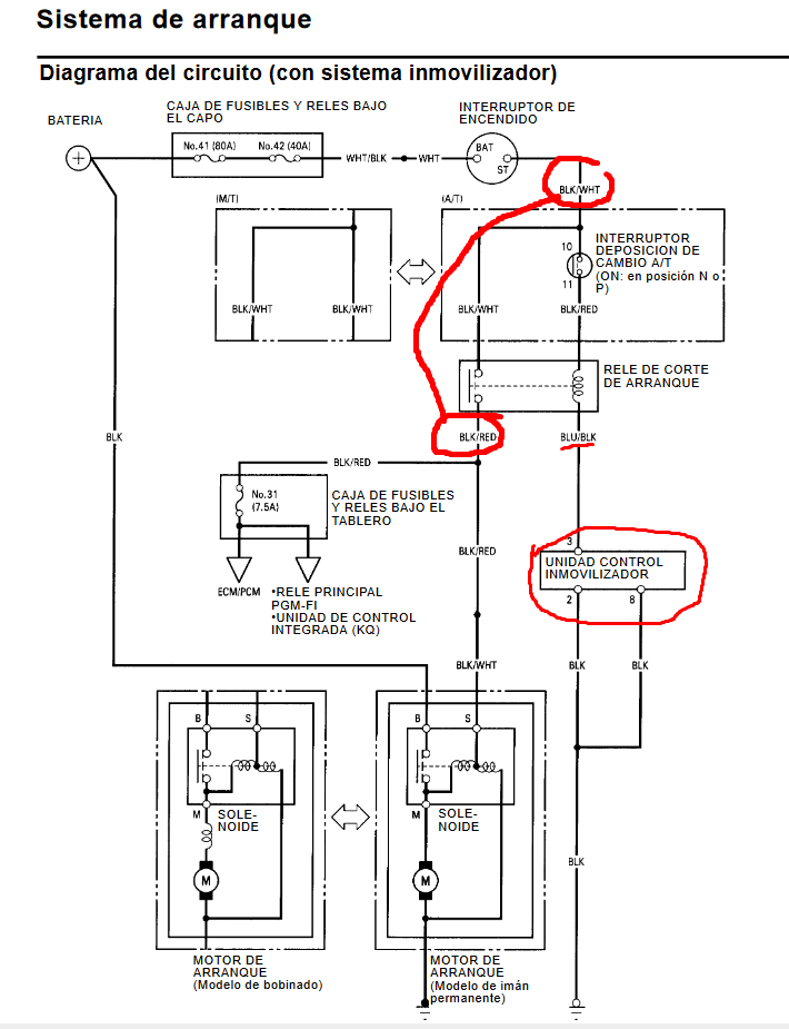
Según el diagrama del manual (Honda Civic 1996-2000 Service Manual : Honda Motor Co : Free Download, Borrow, and Streaming : Internet Archive) pagina 21-2, del relé de arranque sale un cable azul con raya negra y ese mismo tiene que ir a un sensor que va en el embrague, el problema viene cuando nosotros no tenemos ni el sensor del embrague ni el conector que va a este.
Por lo tanto tenemos ese cable azul y negro que se pierde por el ramal y no sabemos donde va, únicamente funciona cuando se puentea desde el relé a masa, a ver si hay alguien aquí que se lleve mejor con los esquemas que nosotros porque llega un punto que no sabemos el motivo de porqué no está haciendo la masa correcta ese relé.

Este es el relé donde se puede ver como lo tenemos provisional para poder girar el motor

Revisando el esquema en el manual español, ese cable negro y azul recibe masa del inmovilizador, aunque a efectos practicos te da igual ya que es a modo de “antirrobo”… puedes anular el relé puenteandolo o puedes poner el cable negro y azul a masa de forma definitiva.

Si tienes inmovilizador te puede dar problemas, te queda molestando la luz o tengo dudas de si entra en modo “degradado”, en caso de que lo lleves anulado haz una de las 2 opciones.

Como bien dices, aqui casi ninguno trae sensor de pedal de embrague, en españa solo lo montan coches que traen control de crucero, normalmente importados. Saludos!

Le he estado dando una vuelta y con el esquema no queda claro, revisa que si conservas el relé haga click al sacar la llave, sino te consumirá la bateria, aunque deberia funcionar solo con contacto.

1 me gusta

Justo después de postear encontré el programa de la honda de manuales de mantenimiento y encontré ese mismo esquema y vi que se necesitaba el inmovilizador para dar la masa. Ahora la idea es puentear directamente en el conector del inmovilizador o meterle una masa directa al relé.
Sí comprobamos que solo recibe corriente cuando se le da a la llave, pero habrá que asegurarse una vez hecho el “puente”. Gracias de todos modos.

1 me gusta

ponle la masa directa, la puedes sacar mismo del soporte del salpicadero, no tiene duda.

1 me gusta

Os dejo por aqui un video de la arrancada del otro dia, el coche habia perdido la chispa por culpa del modulo de encendido que esta dentro del distribuidor. En cuanto tenga algo mas de tiempo actualizo como es debido!

La presion de aceite tiene buena pinta :stuck_out_tongue_winking_eye:

1 me gusta

Se vienen cositas :shushing_face:

Madre mia, hace tiempo que no nos vemos…
En cuanto pueda voy actualizando esto que se ha quedado desfasado… Como avance, nos quedan un par de detalles para poder llevar el coche al dyno.

4 Me gusta

ostia que alegría, pensaba que habías abandonado el proyecto :sweat_smile:, ganas de ver mas actualizaciones.

saludos!! :grimacing:

Espabila y actualiza ya que hay mucho que contar compitrueno.